Stagehand Pro AC (Pro 2)
Stagehand Pro AC Manual Version 2, rev 7-18

Getting Started
The Stagehand Pro AC is designed to make scenic automation safe and easy. It combines sophisticated control with a high-power Variable Frequency Drive and redundant safety circuitry in single, simple device. This combination of features results in an elegant solution to use electric motors for moving scenery on stage.
This manual will guide you through:
Unpacking
Installation
Powering up
Operation
Troubleshooting
If you need help along the way contact us on our website (creativeconners.com), via email ([email protected]), or by phone (401-289-2942)
What’s in the box?
Inside the box you should find:
Quickstart manual
Stagehand Pro AC motion controller
Top and bottom rack-mount brackets
Two (2) ¼”-20 x ½” socket head cap screws for bottom rack-mount bracket
10’ power cord
Mitsubishi A700/A800 instructions on CD
If any of these items are missing, please contact us immediately for a replacement.
If you purchased any power cables, encoders, limit switches, or other accessories, those items are packaged separately.
Stagehand Pro AC Features
The Stagehand Pro AC was created after years of refining the original Stagehand motor controller. The Stagehand Pro AC shares some features with its predecessor while offering many new refinements and capabilities. Depending on the vintage, some of the components will be different from the photos below, but rest assured each model shares the same fantastic features.
Figure 1
Figure 2
Figure 3
Installation
The Stagehand has been designed for a variety of performance venues and can be installed in three ways. Standalone, wall-mount, or rack-mount. The choice of mounting is mostly a matter of logistics, however there are a couple of system performance implications described below.
The most important consideration when mounting your Stagehand is to keep the case vertical. Internally, the Variable Frequency Drive (VFD) that supplies power to the motor can generate substantial heat. To prevent the VFD from being damaged by excessive heat, adequate ventilation must be provided. The heat can only be dissipated safely when the Stagehand is vertical. If the Stagehand is tipped over, the heat generated from the power components inside the VFD will naturally rise and “cook” the control electronics that are integral to the VFD. In short, keep the Stagehand vertical.
Standalone
Out of the box, the Stagehand is ready to stand on its own four (rubber) feet. In the simplest setup, you can stand the Stagehand on the floor, shelf, or any flat surface near your machine. Its inherent heft makes it stable but take some care to prevent accidentally tipping it over. As with all electronics, please keep liquids away from the Stagehand Pro.
Wall Mount
The Stagehand has four (4) keyhole slots on the left face. The keyhole slots can be used to mount the Stagehand to a wall or other flat, vertical surface with ¼” socket head cap screws or stout wood screws. When selecting a mounting fastener, keep in mind that the Stagehand weighs close to 50lbs and will need sufficient mounting hardware. The locations of the mounting holes are shown in the dimensioned drawing below.
Rack Mount
For touring applications, or permanent installations the Stagehand can be rack mounted in a standard 19” equipment rack using the included mounting ears. However, the rack must be orientated horizontally so that the Stagehand remains vertical in the rack for proper heat ventilation.
To rack-mount the Stagehand:
Remove both plastic handles on top of the Stagehand
Fasten the top rack-mount bracket (the bracket with a notch) onto the Stagehand
Replace the back, top screws
Remove the bottom, front rubber feet
Fasten the bottom rack-mount bracket with the included ¼”-20 x ½” socket head cap screws
Place the Stagehand in an equipment rack, keeping it vertical
Powering Up
After the Stagehand is installed, it is time to power it up and get your machine spinning. The Stagehand Pro AC requires a 30-amp, 200VAC-240VAC, 3-phase, 4-wire circuit (3 hot legs and a ground). There is no internal branch circuit protection, so you must power the Stagehand from a branch circuit with proper over-current protection.
Power Input Connection
The power inlet on the Stagehand is a 6-pin rectangular plug (IRC-77mm X 27mm (16B) 6P 35A 400V Male). There are many manufacturers of these connectors, our favorite is by ILME: CPM-06. No matter the manufacturer, the pin-out is shown below:
Included with your Stagehand is a 10’ power cord that has a rectangular power connector on one end and a more common NEMA L15-30 twist-lock plug on the other end. This adapter cable can make it easier to power the Stagehand in some venues that have been pre-wired with NEMA twist-lock connectors. The pin-out for the NEMA L15-30 twist-lock plug is shown below:
Motor and Brake Connections
Power output connections for a motor and two brakes have been combined into a single, 12-pin rectangular connector (ILME CXF-4/8 or compatible). Before we dive into the details of the pin-out, we should clarify what these three power sources are and why they exist. Below is a picture of Creative Conners’ Spotline Hoist which serves as a nice example of a typical machine that needs all three power sources.
Motor – this power source is 230vac 3-phase with a variable frequency from 0Hz – 60Hz. AC motors vary speed in response to a changing frequency. Every machine will require a motor power connection.
Motor Brake – this power source is 230vac 1-phase with a fixed frequency that matches the input power source (typically 60Hz in the United States and 50Hz abroad). The motor brake is a small brake that holds the motor shaft in place when the machine is stopped. The motor brake uses the mechanical advantage of the speed reducer (aka gearbox) to increase its holding ability.
Under normal operation, the motor brake is only engaged once the motor has come to a controlled, complete stop. The motor brake needs power to release. If power is removed, the motor brake will engage by spring force. This is a “fail-safe” brake, it fails to a safe condition by engaging when power is lost. Not all machines explicitly require a motor brake, but we recommend using motor brakes in all applications. All of Creative Conners’ machines are built with a motor brake.
Load Brake – this power source is 230vac 1-phase with a fixed frequency that matches the input power source (typically 60Hz in the United States and 50Hz abroad). In lifting applications, a second brake is required to provide redundant protection in case of equipment failure. Often, this second brake is placed directly on the output side of the speed reducer. If either the speed reducer or the motor brake fails, a brake on the load side of the machine will be able to stop a falling load.
If a brake is used on the output side (aka load side) of a speed reducer, then it must be much larger than the motor side brake since it isn’t able to use the mechanical advantage of the speed reducer to increase its holding power. Load brakes are not required on all machines. The additional expense is often not incurred for machines that are moving scenery laterally. For instance, our Pushstick deck winch does not have a load brake, but our Spotline hoist does use a load brake.
Now that we have an understanding of the terminology the pin-out of the Motor and Brakes connector shown below has more relevance:
Motor Power – 230vac 3-phase 24A max, variable frequency from 0Hz-60Hz
Motor Brake Power – 230vac 1-phase 5A max 50/60Hz.
Motor Brake Fast Switching Circuit – if you are using a DC brake with a rectifier that offers DC switching you can use this circuit to interrupt the DC power to the brake which will greatly reduce the time it takes to engage the brake.
Load Brake Power – 230vac 1-phase 5A max 50/60Hz.
Load Brake Fast Switching Circuit – if you are using a DC brake with a rectifier that offers DC switching you can use this circuit to interrupt the DC power to the brake which will greatly reduce the time it takes to engage the brake. If you are using a load brake you should use fast-brake switching.
It is important to hook up the correct brake to the designated terminals of the connector. Load brakes are typically much slower to respond than motor brakes because of their necessary size. When moving the motor, the Stagehand will first release the load brake, wait 500ms for the brake to fully release, and then release the motor brake and start spinning the motor. The Stagehand uses this sequencing to make sure that the motion of your machine is smooth and quiet. If the load brake isn’t allowed time to fully disengage then the machine will drive through the partially-engaged brake which prematurely wears the brake and makes a distracting noise. If you mistakenly swap the load & motor brake wires, the brake release sequence will be wrong, and the machine will make a loud creak at the beginning of each movement.
Encoders and Limits Connections
Two sets of encoder signals (one for speed monitoring and one for positioning) and three sets of limit switches (forward, reverse, and ultimate) are combined in one rectangular connector (ILME CDDF-24).
All limit switch signals require Normally Closed (N.C.) switches. The Stagehand sources 12vdc on a pin of each limit circuit and expects to see that 12vdc signal returned on the other pin when the limit is not activated. If the limit is either activated or disconnected or a wiring fault occurs, the 12vdc return signal is lifted and the Stagehand will enter a limit fault condition and disallow motion.
The limit switch inputs are used to protect against the motor traveling too far in a direction and causing damage or injury. When running in a cue, this is one of the safety features that guards against encoder failure. When jogging manually, this keeps you from accidentally traveling too far.
All encoder signals use differential line receivers which use a balanced signal transmitted over twisted-pair wires to drastically reduce electrical interference and thus reduce the opportunity for inaccurate encoder data. Encoders connected to the Stagehand must be equipped with differential line drivers to be compatible. Encoders are powered at 5vdc for broadest compatibility.
Let’s start with the limit signals:
Ultimate Limit – a pair of Normally Closed (N.C.) switches can be wired in series to this pair of terminals to provide protection against Forward and Reverse Limit switch failures. Typically, an Ultimate Limit switch is positioned just beyond both the Forward and Reverse Limit switch. If an Ultimate Limit is activated, the Stagehand will disallow any further movement until the limit is physically cleared. In normal operation, there is never a reason to strike an Ultimate Limit. An Ultimate Limit signal indicates an equipment problem with at least one of the primary limit switches. The faulty equipment must be repaired, and the Ultimate Limit must be mechanically reset before the Stagehand will allow motion.
Reverse Limit – a Normally Closed (N.C.) switch can be wired to this pair of terminals. If the switch is activated, the Stagehand will not allow further motion in the reverse direction until the limit is cleared either by adjusting the switch mechanically or by moving in the forward direction far enough to clear the limit switch.
Forward Limit – a Normally Closed (N.C.) switch can be wired to this pair of terminals. If the switch is activated, the Stagehand will not allow further motion in the forward direction until the limit is cleared either by adjusting the switch mechanically or by moving in the reverse direction far enough to clear the limit switch.
Since the Stagehand provides three (3) separate pins that all source 12vdc, one for each limit signal, you can reduce the wiring in your machine to four (4) wires by using just one of the 12vdc source pins and three (3) wires for the three limit return signals. Sometimes it is more convenient to wire a pair of conductors for each switch, other times it may be better to reduce the number of conductors by sharing a common voltage source. Both options are shown below:
Now let’s take a look at the encoder signals:
Speed Encoder – a set of quadrature signals used by the Variable Frequency Drive (VFD) to accurately regulate speed. Unlike the Stagehand Classic controller, the Stagehand Pro requires a motor-mounted encoder for speed regulation. This same encoder may be wired for both speed and position data, but only if that encoder is mounted on the motor prior to the speed reducer. If the VFD detects that the Speed Encoder signal is missing or faulty, the VFD will enter a fault condition and the Stagehand won’t allow motion until the encoder is repaired. This feature is vitally important in lifting applications so that the Stagehand can detect a free-falling load and engage the mechanical safety brakes.
Position Encoder – a set of quadrature signals used by the motion controller to drive the motor to correct positions on cue. This encoder may be the same as the Speed Encoder or it may be a separate encoder. For instance, a scissor lift needs a speed encoder on the pump motor, but the positioning encoder should be placed directly on the lift platform since relationship between the motor rotation and platform position changes depending on the extension height of the lift as it raises and lowers. A deck winch however, can use a single encoder mounted on the motor for both speed and positioning.
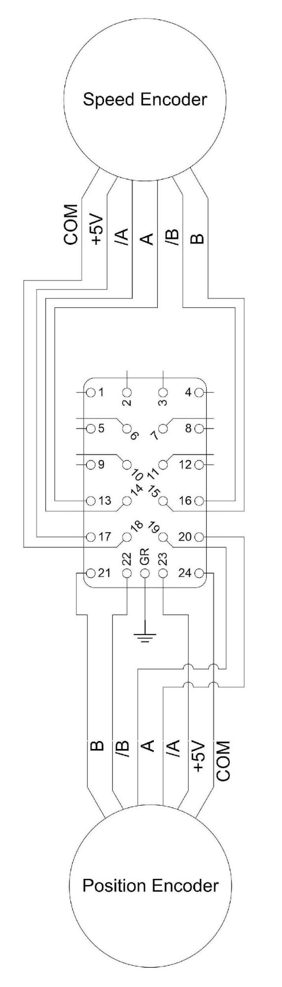
As mentioned above, you can use either a single encoder mounted to the motor for both Speed and Position Encoder signals, or separate encoders mounted in different locations on the machine. Below are two drawings that show how to wire your encoder signals in both scenarios:
Single encoder:
Dual encoders:

Ethernet Connection
To communicate with Spikemark and run cues in a show, the Stagehand needs to be connected to a network. Located on the back side of the Stagehand, the Ethernet input will accept a CAT5 network cable with either a traditional RJ45 plug or a RJ45 plug with a Neutrik Ethercon shell installed (Mouser Part #568-NE8MC-B). The Ethercon shell is an XLR housing that slips over a network cable to provide additional strain relief and a positive-lock connection that makes it preferred backstage.

Showstopper Connection
The Stagehand requires a 24vdc Emergency Stop signal from a Showstopper in order to allow power to flow to the motor and brakes. Internally, the Stagehand Pro has a redundant, self-monitoring circuit to insure that power will be removed from the motor and brakes instantly if the 24vdc Emergency Stop signal is interrupted. Before you can move any motor, you must connect the Stagehand to a Showstopper with a 5-pin XLR cable. The 5-pin XLR cable is not a DMX signal, but rather it was chosen as a convenient cable that is prevalent in many venues so you should always be able to find a spare cable when needed.
Below is the pin-out for the Showstopper Emergency Stop input:
Using the Stagehand
Once all of your connections are made, either by plugging in a pre-wired Creative Conners machine or by wiring up your own machine, the next step is to test the basic machine functions with the Stagehand. The first time you apply power to your machine should be done without a load attached. It can be quite scary if a multi-ton piece of scenery is yanked around by a misbehaving machine, so make sure to do your first test run in the shop or on an empty stage without any scenery connected.
Identifying Your Model
Since the introduction of the Stagehand Pro AC there have been several updates. Your model will look like one of the three drawings in figure 23 below. For models manufactured up to June 2016 your Stagehand uses a Mitsubishi A-700 Drive. For models manufactured between June 2016 and April 2018 your Stagehand uses a Mitsubishi A-800 Drive. For models manufactured after April 2018 the battery backup section has been replaced with a USB port to communicate with your drive. The functionality of all three versions is the same with the only operational difference being how you set the PLC program in parameter P-414. If you have a Mitsubishi A700 parameter P-414 should be set to 1. If you have a Mitsubishi A800 parameter P-414 should be set to 2. For more information please refer to the Mitsubishi VFD Parameters section in this manual.
If you own a Stagehand Pro AC which was purchased before April 2018 you should have received a Stagehand Pro RS485 Upgrade kit from Creative Conners which included instructions and hardware to upgrade the VFD in your stagehand to communicate with Spikemark 4. This will enable new features including; the ability to remotely reset and autotune your drive from Spikemark, receiving VFD error messages in Spikemark, and the Analyze Movement feature.
Mitsubishi A700 w/Battery Backup
Mitsubishi A800 w/Battery Backup
Mitsubishi A800 w/USB Port
Jog the Motor
Before you can write complex cues in Spikemark, let’s make sure the machine runs fine with when jogging it manually using the buttons and knobs on the face of the Stagehand.
Release the Emergency Stop button on your Showstopper
Press and hold the Forward Button.
While holding the Forward Button turn the Knob Clockwise slowly. The brakes should release and the machine should begin to move. The Position Encoder counts are displayed on the Status Display. The counts should be increasing in positive value, if not the motor and encoder are out of phase and you’ll need to rewire either the motor or encoder. See the troubleshooting section for more details.
Gradually rotate the Knob counterclockwise until the machine stops.
Release the Forward Button.
Press the Reverse Button.
While holding the Reverse Button turn the Knob Clockwise slowly. The brakes should release and the machine should begin to move. The Position Encoder counts are displayed on the Status Display. The counts should be decreasing, if not the motor and encoder are out of phase and you’ll need to rewire either the motor or encoder. See the troubleshooting section for more details.
If you strike a limit while jogging in the direction of the limit, the Stagehand will immediately stop the motor. If you strike a forward limit while jogging forward you will have to release the forward jog button and then jog in reverse. If you strike a reverse limit while jogging reverse you will have to release the reverse jog button and then jog forward. If you strike an ultimate limit, you will have to physically clear the limit switch before restarting motion in either direction.
Understanding the Status Display
The two-line alphanumeric display on the Stagehand Pro motion controller uses OLED technology to make it easy to read backstage without a distracting backlight. It also has excellent viewing angles making it easier for you and other operators to see status information at a glance. The Stagehand is primarily used through our Spikemark software, but it is handy to have some bits of information displayed on the Stagehand’s faceplate for those times that you are working onstage near the machinery and not sitting in front of a computer running Spikemark. Also during shop setup, load-in, and strike you may not have Spikemark running and need to manually operate the Stagehand. The following list explains the information that you can glean from the Stagehand display.
Network Connectivity
When sitting idle, the Stagehand will display its IP address on the bottom line and whether the Stagehand is actively connected to Spikemark. Connected means that the Stagehand has an active connection with a Spikemark computer, Disconnected means that the Stagehand is not actively communicating with Spikemark.
Encoder Position
If you press either the Forward or Reverse jog button, the Stagehand will display the direction it is traveling and current speed as a percentage of full power on the top line. On the bottom line it will display the Position Encoder’s counter in raw encoder counts. Inside Spikemark the position data will be shown in scaled units, such as feet or inches, but on the Stagehand the raw encoder counts are displayed since the Stagehand isn’t aware of Spikemark’s Position Scale. The position information is helpful when testing equipment in the shop prior to load-in. You can use a Stagehand to power up a machine and confirm that the encoder is working properly by watching the counts increase and decrease when running forward and reverse respectively. If counts decrease when running forward you know that the motor and encoder polarity are mismatched and should be rewired before attempting to run cues.
Limits
When a Forward, Reverse, or Ultimate Limit is struck the top line of the display will flash an appropriate fault message in rotation with any other fault messages. If you strike a directional limit switch, either forward or reverse, you will have to run the motor in the opposite direction to clear the fault message. If you strike an ultimate limit you will have to physically clear the limit switch before the fault message will clear.
Drive Fault

The VFD has many fault conditions that can cause it to interrupt power to the motor and cease motion. Mechanical overload, encoder signal loss, over-speed, and under-voltage are just of few of the common faults that will render a Stagehand unresponsive. All of these faults register a common “Drive Fault” message on the status display and in Spikemark. Consult the Mitsubishi A700 manual for the exact fault description (the error code is displayed on VFD keypad). To clear a drive fault, correct the cause of the fault and then either cycle the Emergency Stop or press the STOP|RESET button on the VFD keypad.
Brake Fault

If you are seeing a Brake Fault message there are two possible causes. If you are seeing this message after auto-tuning the VFD please check that Parameter 414 is set to 1 if you have a Mitsubishi A700 or set to 2 if you have a Mitsubishi A800 (This procedure is detailed in the Autotuning section of this manual on page 28). The second possibility is that the Stagehand monitors the force-guided relay switches which control power to both brake circuits. If the Stagehand detects that a relay has failed to operate properly, it will not allow the remaining, properly-operating brake to release nor will it allow the motor to move. In order to clear this fault, the Stagehand must be returned to Creative Conners for service.
Emergency Stop

When the Emergency Stop circuit is activated, or unplugged, the Emergency Stop fault message will be added to the flashing fault messages. Any motion that was occurring when the Emergency Stop was detected will be stopped. To clear the fault, release the Emergency Stop button on the Showstopper. Once the fault is cleared, any motion that you wish to execute will have to be restarted. If you were jogging, you will need to release the jog button and start again. If you were running a cue through Spikemark, that cue will need to be re-loaded and run again. At no time will the Stagehand immediately restart after an Emergency Stop fault is cleared, since such behavior to could pose a serious safety risk.
Brake Testing
The Stagehand Pro can control two safety brakes for use in hoisting applications. The Stagehand Pro will internally check the electronic systems to insure the brake circuits are working properly before releasing either the motor brake or the load brake to prevent dropping a suspended piece of scenery. However, the Stagehand cannot confirm that the brakes are mechanically operating correctly.
Since the Stagehand cannot confirm that both brakes are functioning mechanically and that neither has jammed in a released state (very rare, but possible), nightly pre-show check should include a brake test. The Stagehand has convenient buttons on the faceplate to assist you with testing the brakes. To test that your brakes are operating correctly in a hoisting application, read through the following steps in their entirety and then perform each action as follows:
Clear the stage below the suspended scenery
Press and hold the Brake Test button

While holding the Brake Test Button, press the Load Brake button. This will manually release the Load Brake. The Motor Brake should still be engaged and will hold the load. If the suspended scenery slips down, release the Load Brake button immediately. Since the Motor Brake did not hold the load as expected, that brake has failed.
DO NOT OPERATE THE MACHINE UNTIL THE MOTOR BRAKE IS REPAIRED OR REPLACED. FAILURE TO REMOVE THE MACHINE FROM SERVICE COULD RESULT IN DAMAGE, INJURY, OR DEATH.

Provided the Motor Brake passed the functional test, release the Load Brake button.
While holding the Brake Test Button, press the Motor Brake button. This will manually release the Motor Brake. The Load Brake should still be engaged and will hold the load. If the suspended scenery slips down, release the Motor Brake button immediately. Since the Load Brake did not hold the load as expected, that brake has failed.
DO NOT OPERATE THE MACHINE UNTIL THE LOAD BRAKE IS REPAIRED OR REPLACED. FAILURE TO REMOVE THE MACHINE FROM SERVICE COULD RESULT IN DAMAGE, INJURY, OR DEATH.

Release the Motor Brake button
If you press all three buttons at once, all brakes will engage
If you are using the Stagehand to control a hoist, this procedure must be executed every night to ensure that all equipment is operating in a safe, reliable manner. If you are not using the Stagehand to control a hoist, it may be convenient to manually release the safety brakes at times, but it is not required.
Auto-Tuning
The Mitsubishi A700/A800 Variable Frequency Drive (VFD) inside the Stagehand Pro is responsible for precisely providing power to the motor to keep it moving at the pace demanded by the motion controller. For instance, if you write a cue to run a Pushstick winch at 24”/sec, the motion controller sends a small signal to the VFD describing the desired speed, and then the VFD is in charge of controlling the motor rotation accurately. In order for the VFD to have the best possible control of motor speed, it needs some knowledge of the motor’s electrical character. Depending on the motor and the scenery load, auto-tuning can have a dramatic effect on machine performance. Jerky movements can become silky-smooth and low-speed movements that struggled appear effortless after auto-tuning.
The Mitsubishi A700/A800, like many VFD’s, has a built-in “auto-tuning” procedure which electrically probes the motor to give the VFD a better understanding of the motor it is tasked with controlling. This procedure should be run every time you connect the Stagehand to a different motor since different motors have different electrical properties. The operation typically takes less than a minute and does not move the motor shaft substantially but will release the motor brake so the drive can sense the motor’s reaction to applied power.
There are two methods available to execute the Auto-Tuning procedure: manually from the VFD keypad or from within Spikemark 4.0 and higher. The Stagehand Pro uses the Mitsubishi’s internal PLC to insure safe operation of the redundant brake circuits. This PLC feature must be turned off in order run the “auto-tuning” procedure. This procedure is automated from within Spikemark with a click of the mouse. You will need to stop the PLC program manually If running the auto-tune procedure from the VFD keypad.
Auto-Tuning from the Stagehand
If you are not running Spikemark 4 or later, or are unable to execute the Auto-Tune from within Spikemark you will need to execute the auto-tuning from the VFD keypad. Although the procedure has quite a few steps, it is straightforward if you follow these steps.
BEFORE YOU BEGIN
Ensure that you do not have any limits or other faults. This will prevent the VFD from receiving the proper signals to complete the auto tune.
1. Turn off PLC mode governing the Brake Test circuity using the VFD keypad:
Enter the Parameter Setting mode by pressing the MODE button on the VFD keypad until the display reads P. 0

Figure 28
Scroll the wheel to find parameter P 414.

Figure 29
Press the SET button to adjust the parameter.
Make a note of the current setting. It is either 1 or 2. You will need to restore this parameter after the tuning is done.
The A700 will be set to “1”
The A800 will be set to “2”
Scroll down to the value 0 to turn off the PLC program.

Figure 30
Press the SET button to accept the new value.
Restart the VFD by either cycling power to the Stagehand, or by pressing the Emergency Stop button on the Showstopper and release it. Activating the Emergency Stop circuit will remove power from the VFD.
2. Set the following parameters on the VFD keypad using the same process outlined above for the auto-tuning procedure:
Set Parameter 9 equal to the rated current of the motor. (14A for 5hp)
Set Parameter 71 equal to 3. This is the setting for a general purpose motor.
Set Parameter 81 equal to the number of motor poles appropriate for the base rpm of the motor (2 for 3600 rpm, 4 for 1800 rpm, 6 for 1200 rpm).
Most of Creative Conners’s machines use 4-pole motors.
Set Parameter 83 equal to the rated voltage of the motor. (230V is standard)
Set Parameter 96 equal to 1. This will execute auto-tuning without moving the motor.
Press the MODE button until the keypad displays a 1 without flashing.
On Stagehands manufactured before 06/2015 you will need to press the mode button twice.
On Stagehands manufactured after 06/2015 you will need to press the mode button thrice.
Older Stagehands use the Mistubishi A700 drive, new Stagehands use the Mitsubishi A800.
Press and hold the Brake Test button.
While holding the Brake Test button, press and hold the Forward button on the Stagehand motion controller (not the VFD keypad).
You must press both buttons for about a minute while the VFD performs the auto-tuning procedure.
The keypad will display 2 while running the tuning procedure. The motor will make some very odd noises during auto-tuning, it sounds like the motor is chirping in various rhythms. This is normal.
If the auto-tuning completes successfully, the VFD keypad will display 3. If there was an error another number will be shown. Consult the Mitsubishi A700 or A800 manual for more details on the error.
3. Once auto-tuning is complete, you must restart the PLC program in the VFD:
Enter the Parameter Setting mode by pressing the MODE button on the VFD keypad until the display reads P.XXX (where XXX is any number from 0 – 999).
Scroll the wheel to find parameter P.414.
Press the SET button to adjust the parameter.
Scroll down to the value 1 or 2 to turn on the PLC program. NOTE: You must restore the same value that was originally used. Mitsubishi A700 models use a value of 1, Mitsubishi A800 models use a value of 2.
Press the SET button to accept the new value.
Restart the VFD by either cycling power to the Stagehand, or by pressing the Emergency Stop button on the Showstopper and release it. Activating the Emergency Stop circuit will remove power from the VFD.
After the VFD turns on, confirm the P.RUN light on the VFD keypad is illuminated and not flashing. This indicates that the brake logic is functioning correctly.
With the auto-tuning complete, and the PLC program restarted you can return the Stagehand to normal operation.
Set an IP Address for Spikemark Cueing

Figure 37
When you are ready to write and run complex cues with Spikemark, you may need to assign a new IP address to the Stagehand Pro. Every device on the automation network must have a unique, but similar, static IP address. The easiest address scheme to adopt is to share the first three segments of the IP address and just alter the last segment. We typically use addresses that start:
192.168.10.xxx
The last number can be any value from 0 – 255, but no devices on the network can share the same value.
To set the IP address of the Stagehand:
Press the Knob. The Knob serves double-duty as a typical rotary knob and a button (much like a car stereo knob).
The SET IP address screen will be displayed just like the picture below:

Figure 38
There is a blinking cursor on the display, turning the knob will scroll the cursor through the various fields. By turning the Knob, scroll over to the last segment of the IP address which is 32 by default.
Press the Knob to select the last segment and make it adjustable.
Turn the Knob to set a new value.
Once you are happy with the new value, press the Knob to accept the value.
By turning the Knob, scroll over to the OK and then press the Knob to set the new address and return to the primary display screen. If you want to cancel the changes you made to the IP address, place the cursor over CANCEL and press the Knob.
Set a Subnet Mask
Stagehand Firmware REV 26 and above also allows you to set the Subnet Address. To unlock the subnet menu simply press and hold the jog wheel until the display shows the Set Subnet screen. The default subnet of 255.255.255.0 should suffice for almost everyone, though if you are integrating the Stagehand and Spikemark with show control systems you may need to adjust the Subnet.
Persistent Positioning
With Stagehand Firmware REV 23 and Spikemark 3.7 or later, use of the battery backup feature on Stagehand Pro AC units is no longer necessary. If you have not updated the firmware in your Stagehand motion controller please do so before installing your next show or as soon as your current show is complete. This update includes Creative Conners new Persistent PositioningTM feature which stores your encoder position in non-volatile memory on the Stagehand card. This means that even if you lose power your Stagehand will always remember its position once power has been restored.
As of April 2018, the battery backup device in Stagehand Pros has been replaced with a USB commissioning port.
Troubleshooting
If you’ve reached this section of the manual, things aren’t going well. Take a look at some of the common problems and solutions. If none of those help get you up and running, please get in touch with us. Our various methods of communication can be found in the Technical Support section.
Common Problems
Problem
Solution
When running forward, the encoder position decreases. When running reverse, the encoder position increases
The encoder and motor have electrically inverse polarity. You need to either change the motor wiring or the encoder wiring.
Re-wire the motor to match the encoder polarity:
Swap two power legs on the motor by swapping the wires on Pin 1 and Pin 2 inside the motor plug.
– OR –
Re-wire the encoder to match the motor polarity:
Swap signal A with signal B
Swap signal /A with signal /B
You may need to rewire both the Position and Speed encoder signals.
The OLED status display is dark, but the main power indicator is on.
The motion controller may be disconnected internally, to fix it:
Unplug the power cord from the Stagehand.
Remove the side plate of the Stagehand
Check that all terminal blocks/RJ45 connectors are securely mated onto the circuit board.
Confirm input power has all 3 legs
Motor runs roughly or makes strange noises when jogging manually.
Run the auto-tuning procedure outlined on page 30.
Confirm brake(s) are operating
The Stagehand is rolling through FWD/REV/ULTIMATE LIMIT faults and the motor won’t move.
Make sure the Encoder/Limits cable is plugged into the rear of the Stagehand.
Check the placement of your limit switches, if both are physically activated, adjust the placement to clear one or both switches.
Check the limit switch wiring, confirm that the switches are wired Normally Closed (N.C.)
I’m trying to jog the motor, but the status display shows “SET IP” or “SET SUBNET”.
The motion controller is in IP Address setting mode, which happens when the knob is pressed (either intentionally or just bumped in passing). Turn the knob until the cursor is blinking over the word CANCEL and then press the knob. The motion controller will now be in normal mode and can jog the motor again.
Drive faults whenever the motor tries to move.
There are a few reasons why the drive may be faulting. The first step is to look up the fault code in the Mitsubishi manual that is shown on the VFD keypad. Here are some possible codes and solutions:
ETHN – overload caused either by too much load, or failure of the brakes to release. Make sure the brake(s) are wired correctly and plugged in.
ELF – output phase loss caused by the motor being disconnected. Make sure the motor is properly wired and plugged in.
EOSD – speed deviation error. Caused by a mismatch between encoder feedback and command motor speed. Make sure the Speed Encoder is properly wired and plugged in.
EECT – encoder signal loss. The Speed Encoder is disconnected, make sure it’s wired up and plugged in.
EOS – over speed. The motor was running faster than the maximum value programmed for the drive. This usually means the motor was in free fall. Remove the load from the motor and begin testing in a controlled environment to determine if the machine is healthy.
Technical Support
Despite our best efforts and intentions to provide reliable equipment and clear instructions, there may come a time that you need more direct, personal help. We are happy to do that too. Please get in touch in whatever way is most convenient:
Phone: 401-289-2942 ext 2. We’re open weekdays 8:30am – 5:00pm EST. If you call outside of normal business hours (like during tech, or pre-show check, or intermission), one of us will be on-call with a cell-phone gaff-taped to his hand.
Email: [email protected]. Email can be really convenient for tech support if you don’t have a time-critical problem. If you are having trouble with a specific cue in a show, please email us your show file and log file from Spikemark with a description of the issue. We respond within 24 hours, but usually it’s just a matter of minutes.
Specifications
Physical Specifications

Electrical Specifications
Description
Value
Input Voltage
200VAC-240VAC 50/60Hz 3P or 1P (single-phase input derates output power by 50%)
Max Input Current
30 amps. Supply proper branch circuit protection using UL Class T fuses or a Listed UL 489 Molded Case Circuit Breaker (MCCB) with a maximum allowable rating of 30A.
Motor Output Voltage
230VAC 0.2Hz-60Hz
Max Motor Output Power
3HP Heavy Duty
5HP Normal Duty
7.5HP Light Duty
*Adjust Mitsubishi VFD parameter 9 to reflect motor current rating.
Min Motor Output Power
2HP
*Adjust Mitsubishi VFD parameter 9 to reflect motor current rating.
**Lower HP possible but auto-tuning is ineffective below 2HP
Minimum Motor Speed
.5Hz
Maximum Motor Speed - Hoisting
60Hz
*When hoisting the Stagehand Pro cannot be over-sped because of the overspeed detection safety feature
Maximum Motor Speed – Non-Lifting
120Hz
Motor Brake Output Voltage
200VAC-240VAC 50/60Hz
Motor Brake Output Current
5A max
Load Brake Output Voltage
200VAC-240VAC 50/60Hz
Load Brake Output Current
5A max
Emergency Stop Input Voltage
24VDC
Emergency Stop Input Current
520mA
Forward Limit Switch Voltage
12VDC
Forward Limit Switch Current
10mA
Forward Limit Switch Contact Type
Normally Closed (N.C.) dry contact
Reverse Limit Switch Voltage
12VDC
Reverse Limit Switch Current
10mA
Reverse Limit Switch Contact Type
Normally Closed (N.C.) dry contact
Ultimate Limit Switch Voltage
12VDC
Ultimate Limit Switch Current
10mA
Ultimate Limit Switch Contact Type
Normally Closed (N.C.) dry contact
Speed Encoder Input
5VDC max with differential line driver
Position Encoder Input
5VDC (12VDC tolerant) with differential line driver
Encoder Power Supply Voltage
5.5VDC
This allows a max of 300’ encoder cable
Encoder Power Supply Current Rating
2.4A
Control Input
10Base-T Ethernet
Performance Specifications
Description
Value
Maximum Encoder Position
1,073,741,823 counts
Minimum Encoder Position
-1,073,741,824 counts
Maximum Encoder Velocity
15,999,023 counts/second
Maximum Acceleration
15,999,023 counts/second/second
PLC Ladder for Mitsubishi

Wiring Diagram
The following page is a C-size print of the Stagehand Pro AC wiring diagram.
Last updated
Was this helpful?