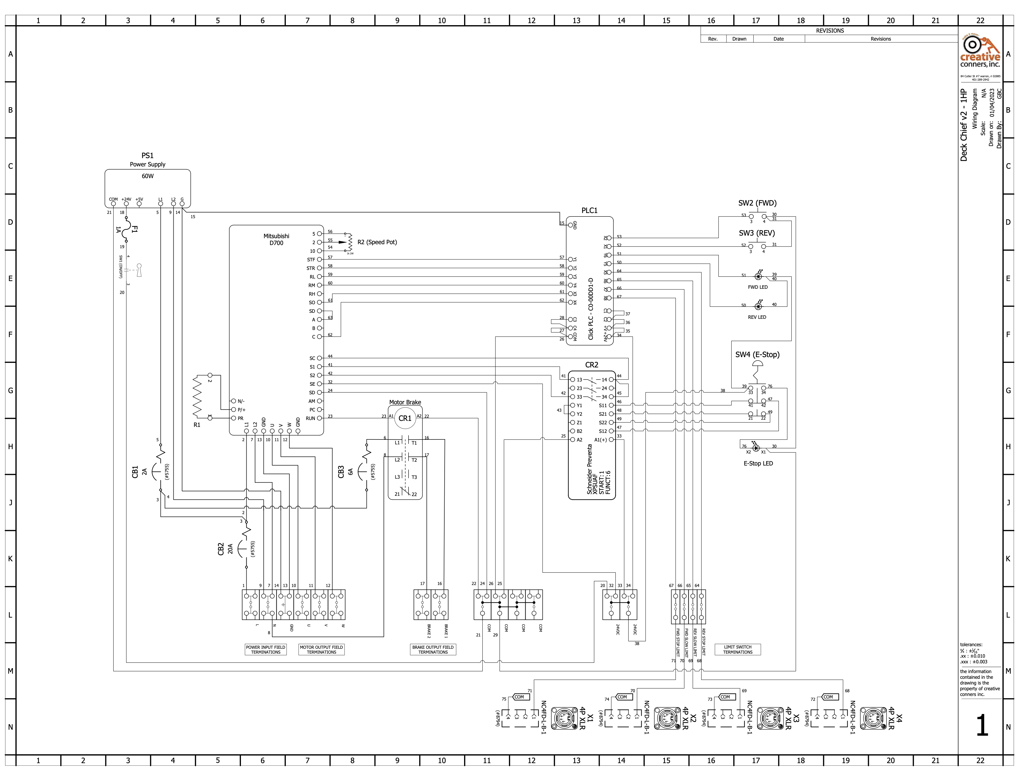
Making the Connections
Hardwire Connections
Remove the wiring cover from the lower front panel of the Deck Chief to expose the wiring terminations.

On the left, find the terminals for:
Power input (120VAC 1P or 230VAC 3P depending on the model)
Motor output (U, V, W)
Brake output (BRK1, BRK2)
On the right, find the terminals for limit switches:
Forward limit (stop)
Forward slow
Reverse slow
Reverse limit (stop)
Wiring Diagram
Use the wiring diagram below to make connection to line input, machine output, and sensor input.

Last updated
Was this helpful?