4-Axis Safety Interlock
REFERENCE MANUAL v1.0
Getting Started
The Safety Interlock is an extra layer of safety to critical effects. Integrating bumper switches, pressure mats, and additional limit switches into any system gives a secondary layer of protection for areas with potential pinch points, like an elevator or pivoting wall.
A lift requires many safety features to keep everyone safe. These additional systems include bumper switches and auxiliary limits to interlock other effects, which are incorporated through the 4-Axis Safety Interlock.
The 4-Axis Safety Interlock is connected between four Stagehand Pro 4s and the 4-Post Lift, reading signals from the safety sensors and interrupting motion if any safety sensor is activated.
This manual will guide you through:
Unpacking
Installation
Powering up
Operation
Troubleshooting
If you need any help along the way, contact us on our website (creativeconners.com), via email ([email protected]), or by phone (401-289-2942).
What’s Included
In the box you will find:
Safety Interlock Control - 4-Axis
Two 3-pin XLR jumpers
Three interlock jumpers (same ML-1 connector as limit jumpers)
Locking IEC power cable
If any of these parts are missing, please contact us.
If you ordered any bumper switches or pressure mats those items are packaged separately.
Features
The Safety Interlock Pro is a 3U rack mountable device with 4 mounting holes.

Description of connections of 4-Axis Interlock, per labeled images above:
Power indicator light
Status indicator lights, if the light goes out there is a fault state to be addressed.
Sensor override button allows you to momentarily jump out a struck sensor so that you can jog or run a cue away from the triggered sensor.
Input power connector (fused), locking IEC.
Fuse protection for low voltage circuitry
Interlock cable inputs and outputs for up to (4) Stagehand Pro 4s.
Discreet Interlock inputs
ML1 receptacles are used for the interlocks
4-Wire Sensor Inputs/Outputs
3-pin XLR connectors are used for sensors (at minimum your bumper switches).
There are 5 sets of safety devices that can be connected with the 4-Post Lift and the 4-Axis Safety Interlock.
Reverse Sensor, Platform Bumper Switches
Forward Sensor, Static Bumper Switch
Reverse Interlock, use for interlocked effect that would be harmed by DOWN motion of the lift
Forward Interlock, use for interlocked effect that would be harmed by UP motion of the lift; e.g. a sunroof
All-Stop Interlock, halts motion in all directions; can be used to integrate a dead-man switch for all connected Stagehands
Installation
The Safety Interlock Pro 4 is a 2U rack mountable case designed to fit in a standard 19” rack. It is not required to be rack mounted, so feel free to place it on the operator desk or with the Stagehand Pro 4 motion controllers.
Keep in mind that the Safety Interlock Pro 4 will need to be connected between the machine and the Stagehand, be sure to plan your location (and cables) accordingly!
Powering Up
After the Safety Interlock is installed, it is time to power it up and test that bumper switches, pressure mats, and/or limit switches are working correctly. The Safety Interlock Pro 4 requires 24VDC from the Stagehand Pro 4 in order to receive power.
Interlock Connections
There are four basic connections that you need to be concerned with on the Safety Interlock Pro 4:
Interlock Input
Interlock Output
Discreet Interlock Sockets
Sensor Inputs
Interlock Input
The Interlock Input on the Safety Interlock Pro 4 connects directly to the Stagehand Pro 4 Interlock Input. Notice how the Stagehand has a female connector and the Safety Interlock has a male connector.
Interlock Output
The Interlock Output provides four (4) sensor inputs that can interrupt motion to avoid collisions.
Two machines may present a hazard on stage when they obstruct each other's path. The interlock inputs allow the Stagehand to sense an external obstruction and abort motion if the path is not clear. Interlock faults are shown on the Stagehand Display, and within the Spikemark software, to easily identify the culprit when motion stops unexpectedly.
Switches wired into the Interlock Connector are often wired Normally Open (N.O.) leaving the circuit open until the switch is activated by a scenic element moving into a safe position.
When automating a lift with a trap door, the lift should not move upward until the trapdoor is fully open. In such a scenario, a limit switch can be physically affixed to the trap door to sense the position of the door, but the switch can be wired to the Forward Interlock input of the lift to prevent the lift colliding with the trap door.
Interlock Terminator
Any unused Interlock Outputs must be terminated. Without the terminators installed, the Interlock will be in a fault state.
Forward Interlock
Forward movement is interrupted unless +24VDC is sensed on pin #2 of the Interlock Connector. If motion is interrupted, either clear the obstruction or temporarily override the interlock signal by plugging in the Interlock Terminator that was shipped with the Stagehand Pro 4.
The Forward Interlock can be used much like a Forward Limit, but rather than limiting forward motion based on the position of the machine powered by the Stagehand, the Forward Interlock senses the position of another machine or scenic element.
Reverse Interlock
Reverse movement is interrupted unless +24VDC is sensed on pin #3 of the Interlock Connector. If motion is interrupted, either clear the obstruction or temporarily override the interlock signal by plugging in the Interlock Terminator that was shipped with the Stagehand Pro 4.
The Reverse Interlock can be used much like a Reverse Limit, but rather than limiting reverse motion based on the position of the machine powered by the Stagehand, the Reverse Interlock senses the position of another machine or scenic element.
All-Stop Interlock
Both forward and reverse movement are interrupted unless +24VDC is sensed on pin #4 of the Interlock Connector. If motion is interrupted, either clear the obstruction or temporarily override the interlock signal by plugging in the Interlock Terminator that was shipped with the Stagehand Pro 4.
External Fault Input
Both forward and reverse motion will be interrupted unless pin #6 & pin #7 are connected on the Interlock Connector. This signal indicates that there is an electrical fault outside of the Stagehand preventing motion. The intention is to detect when a thermal overload relay has tripped on a single motor, when multiple motors are being powered by one Stagehand (e.g. a turntable being spun with multiple Revolver Machines).
DISCREET INTERLOCK INPUTS
The Stagehand Pro 4 and up motion controller monitors forward, reverse, and ultimate limit circuits just like previous Stagehands, but also adds new discrete circuits for monitoring Forward, Reverse, and All-Stop interlocks. The interlock connections on the 4-Axis Safety Interlock allows added switch connections that will be propagated to all connected Stagehands.
The Discreet Interlock Inputs utilize the same ML-1 connector as CCI traditional limits. Essentially, they do the same thing as in the Interlock Output but allow for easier wiring directly into the Forward Interlock, Reverse Interlock, and All-Stop Interlock circuits.
Diving a little deeper into interlock signals:
Reverse Interlock – If a REV Interlock switch is activated, all the connected Stagehands will not allow further motion in the reverse direction until the interlock is cleared either by adjusting the switch mechanically or by moving in the forward direction far enough to clear the interlock switch. Traditionally, these switches are wired Normally Closed (N.C.) but can different depending on the application.
Forward Interlock – If any FWD Interlock switch is activated, the Stagehand will not allow further motion in the forward direction until the interlock is cleared either by adjusting the switch mechanically or by moving in the reverse direction far enough to clear the interlock switch. Traditionally, these switches are wired Normally Closed (N.C.) but can different depending on the application.
All-Stop Interlock – This circuit is used to halt motion in all directions as the name suggests. A dead man switch for operation or a pressure sensitive mat for a line-of-sight observer of the effect may be wired into this circuit. These switches would be wired Normally Closed (N.C.).
Safety Sensor Connections
The 4-Axis Safety Interlock supports 4 wire safety circuits (e.g. bumper switches, pressure mats). A 4 wire safety circuit, when used in conjunction with a safety relay, allows monitoring for the following four conditions:
Disconnected – The safety relay sends out test pulses through the sensor and expects the signal to return. If that signal does not return the safety relay will go into a faulted state and disallow any further motion.
Shorted – If a wire has been crushed by equipment or cut the safety relay will go into a faulted state.
Cross Circuit – If the signals get crossed and the test pulse comes back on the opposite channel the safety relay will go into a faulted state.
Good – If none of the above conditions occur the safety relay will not prohibit any movement.
The 4-Axis Safety Interlock comes with ML1 shorting plugs and XLR jumper cables. These should be installed on any interlocks or sensors that are not being used in your configuration. You can also temporarily override an interlock or sensor fault to move away from the obstruction that caused the fault.
When using the jumpers to override a fault, you will need to power cycle the 4-Axis Safety Interlock to clear the fault state.
Operation
Once powered up, the Safety Interlock is operational. If all of the connections have been properly made, the entire system is powered up, and none of the sensors or limit switches are activated, the Safety Interlock is actively doing its job. To verify this, the three indicator lights on the face should all be illuminated. Other than connecting or disconnecting any limit switches or sensors, there should be nothing else that needs to be done to the Safety Interlock itself.
Troubleshooting
When encountering an issue with the Safety Interlock Pro, the first thing to check would be that none of the limits or sensors are activated. If they are not, the next thing to check would be that all of the cables or jumpers are connected properly. If all connections are made properly and none of the sensors or limits are activated, it would be best to make sure that none of the cables have been cut or damaged.
Common Problems
The issue that is most often encountered is leaving an open connection. All connections on the back of the interlock need to have a physical cable or a jumper plugged in. Making sure that either the cables or the jumpers are seated properly is also important. It is common to mix up the sensor input and outputs in the forward and reverse direction.
Condition
Remedy
No indicator lights illuminated
Check main power
Only Power and REV safety sensor indicators illuminated
Confirm no FWD interlock is activated Confirm no FWD sensors activated Confirm bumpers/sensors are plugged into correct direction Terminate any unused FWD sensor output Power cycle the 4 Axis Interlock
Only Power and FWD safety sensor indicators illuminated
Confirm no REV interlock is activated Confirm no REV sensors are activated Confirm they are plugged into correct direction Terminate any unused FWD sensor output Power cycle the 4 Axis Interlock
Only Power indicator illuminated
Confirm no interlock is activated FWD and REV Confirm no sensor is activated FWD and REV Confirm they are plugged in to correct corresponding direction
Technical Support
Online: www.creativeconners.com
Email: [email protected]
Phone: 401-289-2942 x2
If you get stuck, we are here to help. The best way to get in touch with a tech expert is via email, even during normal business hours, because most days we are on the shop floor and may not be near the phone. There is someone in the office from 8:30a-5pm EST Monday-Friday, and they will return an email or phone call quickly. After hours, when most tech support issues arise, we have a crack team monitoring email and voicemail who will respond quickly to help get you moving.
ELECTRICAL SPECIFICATIONS
Power Input
Connector
Schurter 6200.2300
IEC-320 C-14
3P 10A / 250VAC Male
Fuse
5A / 250VAC
10kA at 125VAC Interrupt Rating
5mm x 20mm Medium-Acting
Tightening Torque
¼” Quick Connect: Stake-On Crimped
Mounting Screw: 0.5Nm
Pinout
Pin L - L1 / 120VAC
Pin N - Neutral
Pin E - Ground
Low Voltage Fuse
Connector
Schurter 3101.0215
IP40 Fuse Holder
10A / 250VAC
Fuse
3.15A / 250VAC
10KA at 125VAC Interrupt Rating
5mm x 20mm Medium-Acting
Tightening Torque
¼” Quick Connect: Stake-On Crimped
Interlock Input
Connector
Mencom CDM-08
21mm x 21mm (3A)
8P 10A Male
Tightening Torque
Pin 1 through 7 - HanD crimped
Pinout
Pin 1 - Forward/reverse interlock +24VDC source
Pin 2 - Forward interlock return
Pin 3 - Reverse interlock return
Pin 4 - All stop interlock +24VDC source
Pin 5 - All stop interlock return
Pin 6 - External fault +0VDC sink
Pin 7 - External fault signal
Pin 8 - Ground
Interlock Output
Connector
Mencom CDF-08
21mm x 21mm (3A)
8P 10A Female
Tightening Torque
Pin 1 through 7 - HanD crimped
Pinout
Pin 1 - Forward/reverse interlock +24VDC source
Pin 2 - Forward interlock return
Pin 3 - Reverse interlock return
Pin 4 - All stop interlock +24VDC source
Pin 5 - All stop interlock return
Pin 6 - External fault +0VDC sink
Pin 7 - External fault signal
Pin 8 - Ground
Forward Interlock Input
Electrical Spec
24VDC
Normally closed circuit
Validation
When pin 2 is connected to the +24VDC source there is no forward interlock fault
When pin 2 is disconnected from the +24VDC source there is a forward interlock fault
While Running
When pin 2 is connected to the +24VDC source motion, happens
When pin 2 is disconnected from the +24VDC source, forward motion stops
When pin 2 is disconnected from the +24VDC source, motion can continue
Reverse Interlock Input
Electrical Spec
24VDC
Normally closed circuit
Validation
When pin 3 is connected to the +24VDC source there is no reverse interlock fault
When pin 3 is disconnected from the +24VDC source there is a reverse interlock fault
While Running
When pin 3 is connected to the +24VDC source motion happens.
When pin 3 is disconnected from the +24VDC source reverse motion stops.
When pin 3 is disconnected from the +24VDC source forward motion can continue.
All Stop Interlock Input
Electrical Spec
24VDC
Normally closed circuit
Validation
When pin 5 is connected to the +24VDC source there is no all stop interlock fault
When pin 5 is disconnected from the +24VDC source there is an all stop interlock fault
While Running (forward or reverse)
When pin 5 is connected to the +24VDC source motion happens.
When pin 5 is disconnected from the +24VDC source, all motion stops.
External Fault Input
Electrical Spec
0VDC
Normally closed circuit
Validation
When pin 7 is connected to the +0VDC sink there is no all stop interlock fault.
When pin 7 is disconnected from the +0VDC sink there is an all external fault.
While Running
When pin 7 is connected to the +0VDC sink motion happens
When pin 7 is disconnected from the +0VDC sink motion stops
Reverse Interlock Input
Connector
Leviton ML1-R
2P 15A Female
Tightening Torque
Pin 1 through 2 - 10-12 in-lbs
Pinout
Pin 1 - Reverse Interlock +24VDC source
Pin 2 - Reverse Interlock return
Electrical Spec
24VDC
Normally closed circuit
Validation
When pin 2 is connected to the +24VDC source there is no reverse interlock fault.
When pin 2 is disconnected from the +24VDC source there is a reverse interlock fault.
While Running
When pin 2 is connected to the +24VDC source, motion happens.
When pin 2 is disconnected from the +24VDC source, reverse motion stops.
When pin 2 is disconnected from the +24VDC source, forward motion can happen.
Forward Interlock Input
Connector
Leviton ML1-R
2P 15A Female
Tightening Torque
Pin 1 through 2 - 10-12 in-lbs
Pinout
Pin 1 - Forward interlock +24VDC source
Pin 2 - Forward interlock return
Electrical Spec
24VDC
Normally closed circuit
Validation
When pin 2 is connected to the +24VDC source there is no forward interlock fault.
When pin 2 is disconnected from the +24VDC source there is a forward interlock fault.
While Running
When pin 2 is connected to the +24VDC source motion happens.
When pin 2 is disconnected from the +24VDC source forward motion stops.
When pin 2 is disconnected to the +24VDC source reverse motion can happen.
All Stop Interlock Input
Connector
Leviton ML1-R
2P 15A Female
Tightening Torque
Pin 1 through 2 - 10-12 in-lbs
Pinout
Pin 1 - All Stop interlock +24VDC source
Pin 2 - All Stop interlock return
Electrical Spec
24VDC
Normally closed circuit
Validation
When pin 2 is connected to the +24VDC source there is no all stop interlock fault.
When pin 2 is disconnected from the +24VDC source there is an all stop interlock fault.
While Running
When pin 2 is connected to the +24VDC source, motion happens.
When pin 2 is disconnected from the +24VDC source, forward and reverse motion stops.
Reverse Sensor Input
Connector
Neutrik NC3MD-L-1-BAG-1
3 Pin XLR
3P 16A Male
Tightening Torque
Pins 1 and 2 - Soldered
Pinout
Pin 1 - Channel 1 Input (+24VDC)
Pin 2 - Channel 2 Input (0VDC)
Pin 3 - Not used
Reverse Sensor Output
Connector
Neutrik NC3FD-L-1-BAG-1
3 Pin XLR
3P 16A Female
Tightening Torque
Pins 1 and 2 - Soldered
Pinout
Pin 1 - Channel 1 Output (+24VDC)
Pin 2 - Channel 2 Output (0VDC)
Pin 3 - Not used
Reverse Sensor Signal
Electrical Spec
24VDC 5mA
Normally open circuit
Validation
When pin 1 on x6 has continuity to pin 1 on x7, AND pin 2 on x6 has continuity to pin 2 on x7, the REV Sensor Clear indicator on the front panel should be lit.
When pin 1 on x6 has no continuity to pin 1 on x7, OR pin 2 on x6 has no continuity to pin 2 on x7, the REV Sensor Clear indicator on the front panel should go out.
When pin 1 on x6 has continuity to pin 2 on x7, OR pin 2 on x6 has continuity to pin 1 on x7, the REV Sensor Clear indicator on the front panel should go out.
While Running
When pins 1 and 2 on X6 and are connected to pins 1 and 2 on X7 respectively, motion happens
When pins 1 and 2 on X6 are disconnected from pins 1 and 2 on X7 respectively, motion stops
When pins 1 and 2 on X6 are cross plugged to pins 1 and 2 on X7, motion stops. (can be tested with a short length of crush Bumper).
Forward Sensor Input
Connector
Neutrik NC3MD-L-1-BAG-1
3 Pin XLR
3P 16A Male
Tightening Torque
Pins 1 and 2 - Soldered
Pinout
Pin 1 - Channel 1 Output (+24VDC)
Pin 2 - Channel 2 Output (0VDC)
Pin 3 - Not used
Forward Sensor Output
Connector
Neutrik NC3FD-L-1-BAG-1
3 Pin XLR
3P 16A Female
Tightening Torque
Pins 1 and 2 - Soldered
Pinout
Pin 1 - Channel 1 Input (+24VDC)
Pin 2 - Channel 2 Input (0VDC)
Pin 3 - Not used
Forward Sensor Signal
Electrical Spec
24VDC 5mA
Normally open circuit
Validation
When pin 1 on x8 has continuity to pin 1 on x9, AND pin 2 on x8 has continuity to pin 2 on x9, the FWD Sensor Clear indicator on the front panel should be lit.
When pin 1 on x8 has no continuity to pin 1 on x9, OR pin 2 on x8 has no continuity to pin 2 on x9, the FWD Sensor Clear indicator on the front panel should go out.
When pin 1 on x8 has continuity to pin 2 on x9, OR pin 2 on x8 has continuity to pin 1 on x9, the FWD Sensor Clear indicator on the front panel should go out.
While Running
When pins 1 and 2 on X6 and are connected to pins 1 and 2 on X7 respectively, motion happens
When pins 1 and 2 on X6 are disconnected from pins 1 and 2 on X7 respectively, motion stops
When pins 1 and 2 on X6 are cross plugged to pins 1 and 2 on X7, motion stops. (can be tested with a short length of crush Bumper).
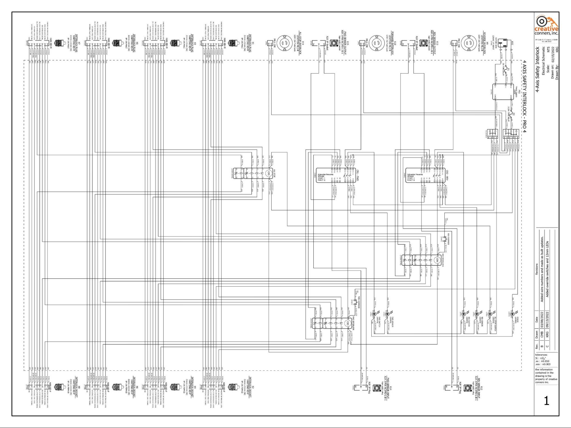
Drawings
Last updated
Was this helpful?