Spotline V2: Installation
Mounting the Spotline V2
Be sure to test basic functionality prior to installing the Spotline into locations that may be difficult to access or troubleshoot!
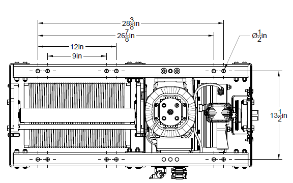
Mounting Holes and Bolt Patterns


Fastener Requirements
Minimum 4 connections, ½” grade 5 or better fasteners
Two (2) different adjacent hole sets with at least one set being on the drum side
Washers required between fastener and square tube
Locking hardware required
Lock nuts preferred
Lock washers acceptable for lags
Ensure that under full and dynamic loads, the winch will not move or begin to loosen
Standalone Installations
Mounting Directly to Floor
Required Hardware
4 @ ½” x 4” Lag Bolts (Recommended length is 2 x thickness of held material)
4 @ ½” Lock Washers
Mounting to Unistrut Rail
Mounting your Spotline to Unistrut (or any other type of runner) not only gives you a little bit of flexibility in the direction of the runners (either front to back or side to side), but gives you an outboard method of securing to the deck or to some form of counterweight.
Required Hardware
4 @ ½” 3” Hex Bolts
4 @ ½” Lock Washers
4 @ ½” Unistrut Nuts
2 @ Lengths of Unistrut
25.5” allows 5” of Unistrut protruding off the front and back of the Spotline
47” allows 5” of Unistrut protruding off either side of the Spotline
Mounting to Truss
Required Hardware
4 @ ½ Cheeseborough Clamps
4 @ ½” Bolts (appropriate for the cheeseborough)
4 @ ½” Flat Washers
4 @ ½” Lock Nuts
Process:
Bolt the half-cheeseboroughs to four (4) corners of the front, back, top, or bottom of the Spotline tube framing. Be sure to follow the bolting guide for proper placement.
Note the hole spacings for various truss widths
Secure the cheeseboroughs to the truss
Mounting to Counterweight Plate
Required Hardware
6 @ ½” x 3.5” Flat Head Bolts
6 @ ½” Flat Washers
6 @ ½” Lock Nuts
1 @ ¾”(minimum) Plywood Sheet - Cut to appropriate size for adding counterweight
Spotline footprint is 37”L x 15.858”W
Process
Drill and countersink the underside of the plate where the bolts will go
Install the bolts up through the bottom of the plate so they are protruding into the air
Place the Spotline onto the protruding bolts
Secure with washers and lock nuts
Distribute counterweight evenly around the plate
Test to ensure that the Spotline stays in place with dynamic loading and quick stops
[bolted to a large bottom plate]
Ballast Weighting
Not all venues allow for securing the Spotline to the deck or a piece of scenery or other equipment. In cases like these, it is still necessary to ensure that the machine is properly secure, especially when exposed to dynamic forces such as quick stops or aerial performance.
ANSI E1.21 - 2020 for temporary structures states that the weight of ballast required shall resist slippage and uplift with a minimum design factor of 1.5 times the horizontal and vertical vector reactions created by the applied line load.
It also contains really great resources for calculating ballast loads and requirements. While we're not technically installing a temporary outdoor structure, the calculation methods are the same and industry standard.
RULE OF THUMB
If you are uncertain about requirements, its ok to consult an engineer!
(that's what we do!)
According to our calculations engineers...
The MINIMUM BALLAST WEIGHT to resist a vertical rope off the Spotline is 3000lb
-- HOWEVER --
If the wire rope coming off the Spotline has ANY HORIZONTAL COMPONENT (I.E. it's not perfectly vertical), the required ballast increases rapidly and significantly.
To make a long story short, the maximum force under "abnormal operations" - such as e-stop, power failure, or essentially any other sudden stop - is 1880lbf.
1880lbf * 1.5 safety factor = 2820LB --rounds up to -> 3000LB Minimum Ballast Weight
We use two (2) @ 2' x 2' x 4' solid, concrete blocks for mobile shop testing

Last updated
Was this helpful?